Web Analytics Made Easy - Statcounter

Wiring Mitsubishi Fuso Electrical: Master Your Truck’s System! Mitsubishi fuso truck fe fg workshop repair manual download pdf

If you are looking for Wiring Mitsubishi Fuso Electrical : Wiring Diagram Mitsubishi Canter you've visit to the right place. We have 25 Pictures about Wiring Mitsubishi Fuso Electrical : Wiring Diagram Mitsubishi Canter like MITSUBISHI FUSO Truck Wiring Diagrams - Car Electrical Wiring Diagram, Mitsubishi Fuso Wiring Diagram Pdf - Wiring Diagram and also Wiring Mitsubishi Fuso Electrical : Wiring Diagram Mitsubishi Canter. Here you go:

Wiring Mitsubishi Fuso Electrical : Wiring Diagram Mitsubishi Canter

Wiring Mitsubishi Fuso Electrical : Wiring Diagram Mitsubishi Canter ex500-wiring-diagram.blogspot.com

fuso daf wiring electrical canter cf75 fuses cf85 jimcdn circuit diagrams schemas schema

04 Mitsubishi Fuso Wiring Diagram - Wiring Diagram

04 Mitsubishi Fuso Wiring Diagram - Wiring Diagram wiringdiagram.2bitboer.com

fuso canter wiring

Wiring Mitsubishi Fuso Electrical : Wiring Diagram Mitsubishi Canter

Wiring Mitsubishi Fuso Electrical : Wiring Diagram Mitsubishi Canter ex500-wiring-diagram.blogspot.com

wiring fuso canter fuses schemas schema

Mitsubishi Fuso Wiring Diagram Pdf - Schema Digital

mitsubishi fuso wiring diagram pdf - Schema Digital www.schemadigital.com

Mitsubishi Fuso Truck FE FG Workshop Repair Manual Download PDF

Mitsubishi Fuso Truck FE FG Workshop Repair Manual Download PDF workshopmanuals.org

Wiring Mitsubishi Fuso Electrical : Wiring Diagram Mitsubishi Canter

Wiring Mitsubishi Fuso Electrical : Wiring Diagram Mitsubishi Canter ex500-wiring-diagram.blogspot.com

wiring mitsubishi eclipse pajero fuso ignition electrical canter headlight montero 1989 justanswer schema fuses ecu box schemas

[DIAGRAM] Mitsubishi Fuso Canter Wiring Diagram - WIRINGSCHEMA.COM

[DIAGRAM] Mitsubishi Fuso Canter Wiring Diagram - WIRINGSCHEMA.COM wiringschema.com

Wiring Mitsubishi Fuso Electrical: A Comprehensive Guide For Optimal

Wiring Mitsubishi Fuso Electrical: A Comprehensive Guide for Optimal kidscon.me

Mitsubishi Fuso Wiring Diagram Pdf - Wiring System

mitsubishi fuso wiring diagram pdf - Wiring System www.wiringsystem.co

Wiring Mitsubishi Fuso Electrical : Wiring Diagram Mitsubishi Canter

Wiring Mitsubishi Fuso Electrical : Wiring Diagram Mitsubishi Canter ex500-wiring-diagram.blogspot.com

mitsubishi fuso canter bonanzastatic truck fuses schemas

Wiring Mitsubishi Fuso Electrical : Wiring Diagram Mitsubishi Canter

Wiring Mitsubishi Fuso Electrical : Wiring Diagram Mitsubishi Canter ex500-wiring-diagram.blogspot.com

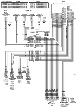
mitsubishi wiring canter fuso electrical zinref ru fuses schemas schema box

Wiring Mitsubishi Fuso Electrical : Wiring Diagram Mitsubishi Canter

Wiring Mitsubishi Fuso Electrical : Wiring Diagram Mitsubishi Canter ex500-wiring-diagram.blogspot.com

fuso dpf mitsubishi diagram canter particulate fuses schemas

Mitsubishi Fuso FK FM 2008-2015 Workshop Repair Manual Download PDF

Mitsubishi Fuso FK FM 2008-2015 Workshop Repair Manual Download PDF workshopmanuals.org

MITSUBISHI FUSO Truck Wiring Diagrams - Car Electrical Wiring Diagram

MITSUBISHI FUSO Truck Wiring Diagrams - Car Electrical Wiring Diagram car-diagrams.jimdofree.com

Mitsubishi Fuso Wiring Diagram Pdf - Wiring Diagram

Mitsubishi Fuso Wiring Diagram Pdf - Wiring Diagram wiringdiagram.2bitboer.com

Mitsubishi Fuso Fighter 2008-2015 Workshop Manual Download PDF

Mitsubishi Fuso Fighter 2008-2015 Workshop Manual Download PDF workshopmanuals.org

The Ultimate Guide To Understanding Mitsubishi Fuso Canter Wiring

The Ultimate Guide to Understanding Mitsubishi Fuso Canter Wiring shortcircuitweb.com

Mitsubishi Fuso Wiring Diagram Pdf - Wiring Diagram

Mitsubishi Fuso Wiring Diagram Pdf - Wiring Diagram wiringdiagram.2bitboer.com

Mitsubishi Fuso Canter Eco Hybrid Pdf Manuals

Mitsubishi Fuso Canter Eco Hybrid Pdf Manuals wiringdiagram.2bitboer.com

Mitsubishi Fuso Wiring Diagram Pdf - Wiring Flash

Mitsubishi Fuso Wiring Diagram Pdf - Wiring Flash www.wiringflash.com

MITSUBISHI FUSO Truck Wiring Diagrams - Car Electrical Wiring Diagram

MITSUBISHI FUSO Truck Wiring Diagrams - Car Electrical Wiring Diagram car-diagrams.jimdofree.com

Mitsubishi Fuso Wiring Diagram Pdf - Wiring Diagram

Mitsubishi Fuso Wiring Diagram Pdf - Wiring Diagram wiringdiagram.2bitboer.com

MITSUBISHI FUSO Truck Wiring Diagrams - Car Electrical Wiring Diagram

MITSUBISHI FUSO Truck Wiring Diagrams - Car Electrical Wiring Diagram car-diagrams.jimdofree.com

Wiring Mitsubishi Fuso Electrical : Wiring Diagram Mitsubishi Canter

Wiring Mitsubishi Fuso Electrical : Wiring Diagram Mitsubishi Canter ex500-wiring-diagram.blogspot.com

fuso wiring relay mitsubishi acura fuse electrical canter dash fuses schemas

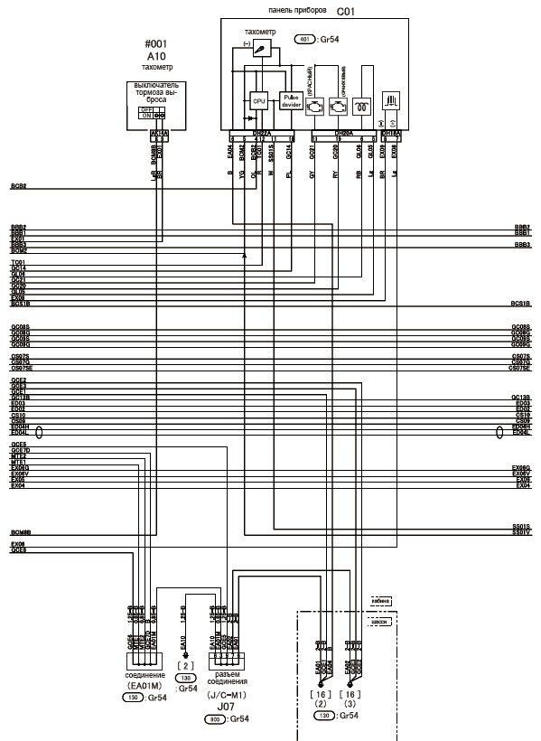
Mitsubishi Fuso Canter Electrical Wiring Diagram

Mitsubishi Fuso Canter Electrical Wiring Diagram eleccircs.com

Mitsubishi wiring canter fuso electrical zinref ru fuses schemas schema box. Mitsubishi fuso fk fm 2008-2015 workshop repair manual download pdf. The ultimate guide to understanding mitsubishi fuso canter wiring