Web Analytics Made Easy - Statcounter

PT2399 Echo Circuit Diagram: DIY Guide for Music Enthusiasts Equinox pt2399 reverb guitar mixer

If you are searching about Pcb Pt2399 Echo Circuit Diagram / Pt2399 Dev Delay Assembly you've came to the right web. We have 25 Pics about Pcb Pt2399 Echo Circuit Diagram / Pt2399 Dev Delay Assembly like PT2399 ECHO CIRCUIT : 4 Steps - Instructables, PT2399 Echo Application Circuit - DIY Audio Circuits and also Pt2399 Echo Circuit Diagram. Here it is:

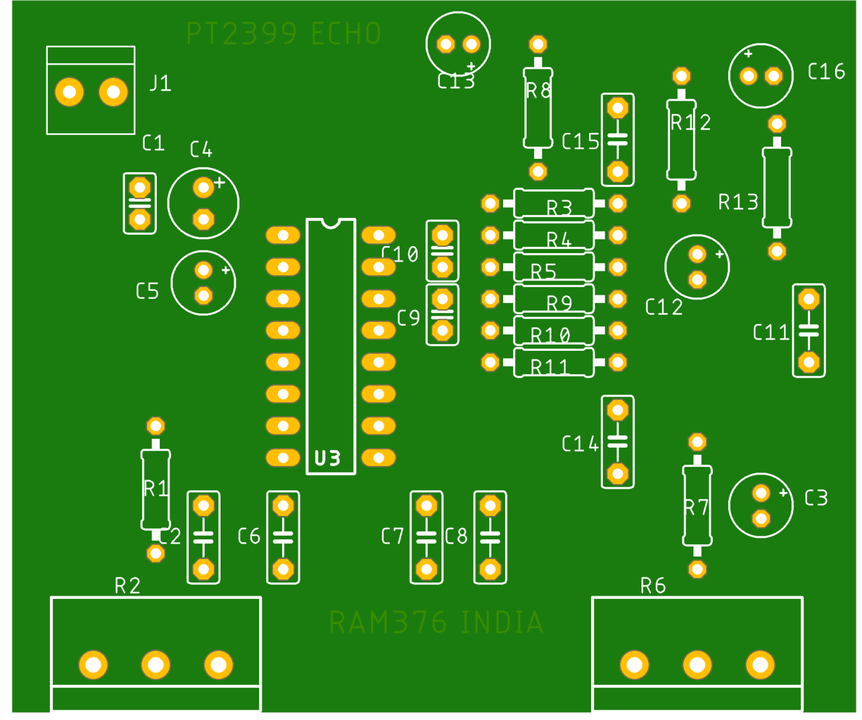
Pcb Pt2399 Echo Circuit Diagram / Pt2399 Dev Delay Assembly

Pcb Pt2399 Echo Circuit Diagram / Pt2399 Dev Delay Assembly s10-wiring-diagram13.blogspot.com

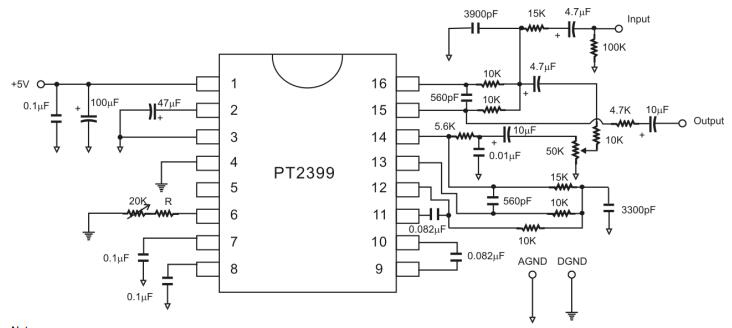
PT2399 Echo Application Circuit - DIY Audio Circuits

PT2399 Echo Application Circuit - DIY Audio Circuits www.diyaudiocircuits.com

circuit pt2399 echo delay digital application schematic datasheet ic 2399 pt circuits audio princeton analog full diy ripped straight basic

PT2399 ECHO CIRCUIT : 4 Steps - Instructables

PT2399 ECHO CIRCUIT : 4 Steps - Instructables www.instructables.com

Pt2399_block_diagram - DIY Audio Circuits

pt2399_block_diagram - DIY Audio Circuits diyaudiocircuits.com

pt2399 diagram delay block digital schematic circuit datasheet audio echo ic

PT2399 ECHO CIRCUIT : 4 Steps - Instructables

PT2399 ECHO CIRCUIT : 4 Steps - Instructables www.instructables.com

Pt2399 Echo Circuit Diagram

Pt2399 Echo Circuit Diagram circuitlistadrienne.z13.web.core.windows.net

PT2399 Digital Echo Delay Integrated Circuit Breadboard Experiment

PT2399 Digital Echo Delay Integrated Circuit Breadboard Experiment diyaudiocircuits.com

pt2399 echo circuit digital breadboard experiment delay integrated input around

PT2399 ECHO CIRCUIT Steps Instructables, 59% OFF

PT2399 ECHO CIRCUIT Steps Instructables, 59% OFF ricardoalpoim.com.br

Echo Effect With IC PT2399 Schematic | DIY

Echo effect with IC PT2399 schematic | DIY supplycircuit.blogspot.com

schematic echo pt2399 circuit ic repeater

PT2399 ECHO CIRCUIT : 4 Steps - Instructables

PT2399 ECHO CIRCUIT : 4 Steps - Instructables www.instructables.com

Low Noise Echo Repeater PT2399 Ifi_Project E-03 Class D Amplifier

Low noise echo repeater PT2399 Ifi_Project e-03 Class D Amplifier www.pinterest.com

pt2399 rangkaian delay ifi repeater elektronik amplifier teknologi sederhana từ icu lưu đã disimpan

Echo Delay Circuit||pt2399 Echo Circuit|| Pt2399 Circuit||Echo Circuit

Echo Delay Circuit||pt2399 Echo Circuit|| pt2399 Circuit||Echo Circuit www.youtube.com

Pt2399 ревербератор схема

Pt2399 ревербератор схема all-audio.pro

The Valve Wizard

The Valve Wizard valvewizard.co.uk

equinox pt2399 reverb guitar mixer

DIY 3 X PT2399 Mic ECHO Project With Komitart LAY6

DIY 3 x PT2399 Mic ECHO project with Komitart LAY6 www.komitart.ru

How To Make TP2399 Echo With Filter Low And Treble Controller Circuit

How to make TP2399 Echo with Filter low and treble controller circuit www.youtube.com

echo circuit controller

PT2399 ECHO CIRCUIT : 4 Steps - Instructables

PT2399 ECHO CIRCUIT : 4 Steps - Instructables www.instructables.com

Simple Echo Circuit Microphone Echo Circuit Diagram Using Pt2399 Simple

Simple echo circuit microphone echo circuit diagram using pt2399 simple www.artofit.org

How To Make A Digital Delay Circuit / PT2399 Echo - YouTube

How to Make a Digital Delay Circuit / PT2399 Echo - YouTube www.youtube.com

Echo Effect With IC PT2399 Schematic, 47% OFF

Echo Effect With IC PT2399 Schematic, 47% OFF pusan.skku.ac.kr

Pt2399 Echo Circuit Diagram

Pt2399 Echo Circuit Diagram pcb-design.pages.dev

Pt2399 Echo Circuit Diagram - Pressly

Pt2399 Echo Circuit Diagram - Pressly presslyz.blogspot.com

PT2399 Delay Echo Processor IC: Datasheet, Schematic And Circuit

PT2399 Delay Echo Processor IC: Datasheet, Schematic and Circuit www.jakelectronics.com

HOW TO MAKE SOUND DELAY CIRCUIT LIVE ECHO PT2399 IC | @ETElectricalTech

HOW TO MAKE SOUND DELAY CIRCUIT LIVE ECHO PT2399 IC | @ETElectricalTech www.youtube.com

PT2399 ECHO CIRCUIT : 4 Steps - Instructables

PT2399 ECHO CIRCUIT : 4 Steps - Instructables www.instructables.com

How to make sound delay circuit live echo pt2399 ic. Pt2399 echo circuit : 4 steps. Circuit pt2399 echo delay digital application schematic datasheet ic 2399 pt circuits audio princeton analog full diy ripped straight basic