Web Analytics Made Easy - Statcounter

McMillan Motor Wiring Diagram: Essential Tips for Repairs The ultimate guide to understanding electric motors wiring diagrams

If you are looking for Motor Wiring Diagrams | Groschopp you've came to the right place. We have 25 Pics about Motor Wiring Diagrams | Groschopp like mcmillan motor wiring diagram - Wiring Diagram, Mcmillan Motor Wiring Diagram, Patton Fans Parts - Best Fan In and also mcmillan motor wiring diagram - Wiring Diagram. Read more:

Motor Wiring Diagrams | Groschopp

Motor Wiring Diagrams | Groschopp www.groschopp.com

wiring motor diagrams wire ac motors phase psc diagram single reversible ac80 ac90 ac100

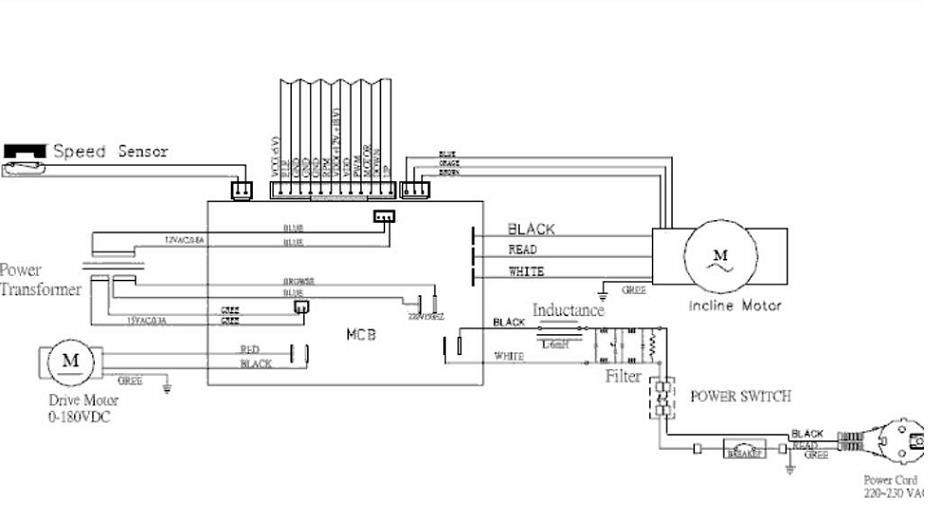
Mcmillan Motor Wiring Diagram - Wiring Diagram

mcmillan motor wiring diagram - Wiring Diagram wiringdiagram.2bitboer.com

The Ultimate Guide To Understanding Electric Motors Wiring Diagrams

The Ultimate Guide to Understanding Electric Motors Wiring Diagrams stewart-switch.com

A Step-by-Step Guide To Wiring A Brushless Motor: Diagram Included

A Step-by-Step Guide to Wiring a Brushless Motor: Diagram Included kdi-ppi.com

Mcmillan Motor Wiring Diagram - Wiring Diagram

mcmillan motor wiring diagram - Wiring Diagram wiringdiagram.2bitboer.com

Mcmillan Motor Wiring Diagram - Wiring Diagram

mcmillan motor wiring diagram - Wiring Diagram wiringdiagram.2bitboer.com

The Ultimate Guide To Understanding Motor Wiring Diagrams For 3 Phase

The Ultimate Guide to Understanding Motor Wiring Diagrams for 3 Phase eleccircs.com

3994S - McMillan Electric - Precision Electric Motors

3994S - McMillan Electric - Precision Electric Motors mcmillanelectric.com

6 Essential Tips For Wiring A Motor Starter Switch – Moo Wiring

6 Essential Tips for Wiring a Motor Starter Switch – Moo Wiring moowiring.com

Mcmillan Motor Wiring Diagram - Sleekist

Mcmillan Motor Wiring Diagram - Sleekist sleekist.blogspot.com

Mcmillan Motor Wiring Diagram - Wiring Diagram

mcmillan motor wiring diagram - Wiring Diagram wiringdiagram.2bitboer.com

A Comprehensive Guide To Classic Mini Wiper Motor Wiring Diagrams

A Comprehensive Guide to Classic Mini Wiper Motor Wiring Diagrams design1systems.com

How To Read Electric Motor Wiring Diagram - Wiring Flow Line

How To Read Electric Motor Wiring Diagram - Wiring Flow Line www.wiringflowline.com

The Ultimate Guide To Understanding Motor Wiring Diagrams For 3 Phase

The Ultimate Guide to Understanding Motor Wiring Diagrams for 3 Phase eleccircs.com

Mcmillan Motor Wiring Diagram - Wiring Diagram

mcmillan motor wiring diagram - Wiring Diagram wiringdiagram.2bitboer.com

Wiring Diagram - Learn How To Design Schematics And Diagram

Wiring Diagram - Learn How to Design schematics and diagram wiringdiagram.2bitboer.com

Understanding The Essential Wiring Diagram For An Air Compressor Motor

Understanding the Essential Wiring Diagram for an Air Compressor Motor autoctrls.com

Mcmillan Motor Wiring Diagram, Patton Fans Parts - Best Fan In

Mcmillan Motor Wiring Diagram, Patton Fans Parts - Best Fan In cool484s.blogspot.com

Mcmillan Electric Motor Wiring Diagram

Mcmillan Electric Motor Wiring Diagram manualbruixa952.z21.web.core.windows.net

I Have A 2013 International Ct6605 Truck And I'm Looking For The Wiring

I have a 2013 international ct6605 truck and I'm looking for the wiring www.justanswer.com

Mcmillan Motor Wiring Diagram - 4K Wallpapers Review

Mcmillan Motor Wiring Diagram - 4K Wallpapers Review www.smarts4k.com

Mcmillan Motor Wiring Diagram - Wiring Diagram

mcmillan motor wiring diagram - Wiring Diagram wiringdiagram.2bitboer.com

Mcmillan Motor Wiring Diagram - Sleekist

Mcmillan Motor Wiring Diagram - Sleekist sleekist.blogspot.com

Mcmillan Motor Wiring Diagram - Wiring Diagram

mcmillan motor wiring diagram - Wiring Diagram wiringdiagram.2bitboer.com

Mcmillan Motor Wiring Diagram - Wiring Diagram

mcmillan motor wiring diagram - Wiring Diagram wiringdiagram.2bitboer.com

Mcmillan motor wiring diagram. Mcmillan motor wiring diagram. Wiring diagram