Web Analytics Made Easy - Statcounter

Dunsley Neutraliser Wiring Diagram: Essential Tips for Heating Systems Dunsleyheat website

If you are looking for Dunsley Neutraliser Wiring Diagram - Herbalens you've came to the right place. We have 25 Images about Dunsley Neutraliser Wiring Diagram - Herbalens like Dunsley Neutraliser Wiring Diagram - Herbalens, Dunsley Neutraliser Wiring Diagram - Herbalens and also Dunsley Neutraliser Wiring Diagram - Herbalens. Here you go:

Dunsley Neutraliser Wiring Diagram - Herbalens

Dunsley Neutraliser Wiring Diagram - Herbalens herbalens.blogspot.com

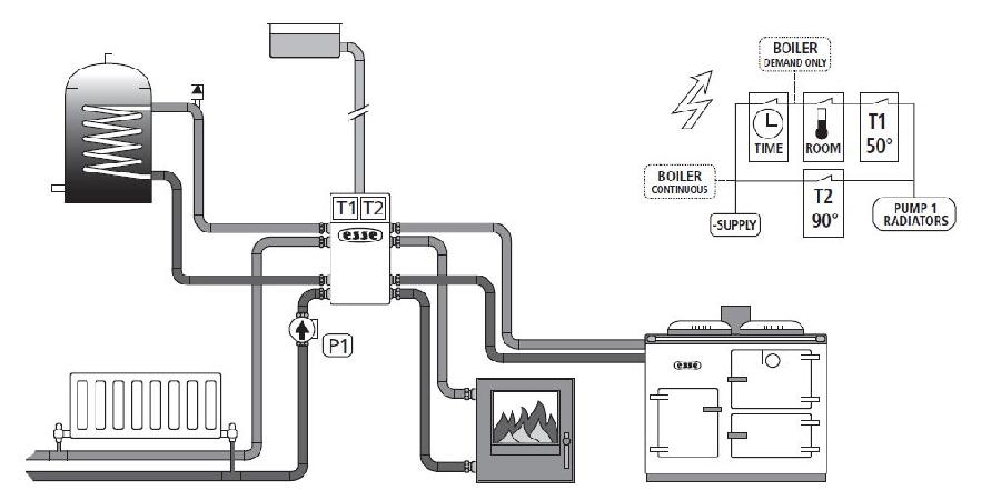
Dunsley Baker Neutralizer Link-up System

dunsley baker neutralizer link-up system www.dunsleyheat.co.uk

neutralizer dunsley link up system heat

Dunsleyheat Website - Coalfires

dunsleyheat website - Coalfires www.dunsleyheat.co.uk

DUNSLEY BAKER "C" TYPE NEUTRALIZER 11 CONNECTIONS

DUNSLEY BAKER "C" TYPE NEUTRALIZER 11 CONNECTIONS www.harworthheating.co.uk

Dunsleyheat Website - Coalfires

dunsleyheat website - Coalfires www.dunsleyheat.co.uk

layout neutralizer diagram wiring click below pdf picture

Dunsley Neutraliser Wiring Diagram - Herbalens

Dunsley Neutraliser Wiring Diagram - Herbalens herbalens.blogspot.com

Dunsley Neutraliser Wiring Diagram - Herbalens

Dunsley Neutraliser Wiring Diagram - Herbalens herbalens.blogspot.com

Dunsley Baker Neutralizer Link-up System

dunsley baker neutralizer link-up system www.dunsleyheat.co.uk

neutralizer dunsley heat

Ask The Trades - Circulation By Convection?

Ask The Trades - Circulation by convection? www.askthetrades.co.uk

Domestic Central Heating Systems Diagrams Heating Hydronic U

Domestic Central Heating Systems Diagrams Heating Hydronic U schematictibem8mj.z14.web.core.windows.net

Dunsleyheat Website - Coalfires

dunsleyheat website - Coalfires www.dunsleyheat.co.uk

Dunsleyheat Website - Multifuel Stoves

dunsleyheat website - Multifuel stoves www.dunsleyheat.co.uk

booster dunsley diagram boiler electric

Dunsley Neutraliser Wiring Diagram - Herbalens

Dunsley Neutraliser Wiring Diagram - Herbalens herbalens.blogspot.com

Dunsley Baker Neutralizer Link-up System

dunsley baker neutralizer link-up system www.dunsleyheat.co.uk

neutralizer link up dunsley system layout

Dunsleyheat Website - Coalfires

dunsleyheat website - Coalfires www.dunsleyheat.co.uk

EDWARDS CONTRACTORS

EDWARDS CONTRACTORS www.edwardscontractors.co.uk

dunsley heating boiler link up neutralizer oil

Dunsleyheat Website - Multifuel Stoves

dunsleyheat website - Multifuel stoves www.dunsleyheat.co.uk

booster dunsley heater boiler electric

Dunsleyheat Website - Coalfires

dunsleyheat website - Coalfires www.dunsleyheat.co.uk

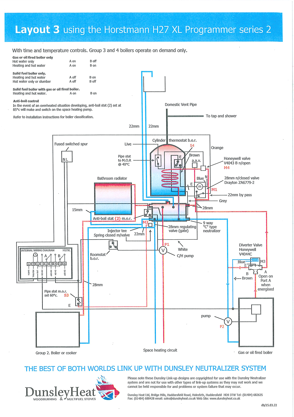
Dunsley Neutralizer Layout 89a

dunsley neutralizer layout 89a dunsleyheat.co.uk

Dunsley Neutraliser Wiring Diagram - Herbalens

Dunsley Neutraliser Wiring Diagram - Herbalens herbalens.blogspot.com

Dunsley Neutraliser Wiring Diagram - Herbalens

Dunsley Neutraliser Wiring Diagram - Herbalens herbalens.blogspot.com

11 Best Images About My Future Home On Pinterest | Ovens, Solar And

11 Best images about My future home on Pinterest | Ovens, Solar and www.pinterest.com

dunsley neutralizer

Dunsley Neutraliser Wiring Diagram - Herbalens

Dunsley Neutraliser Wiring Diagram - Herbalens herbalens.blogspot.com

Dunsleyheat Website - Coalfires

dunsleyheat website - Coalfires www.dunsleyheat.co.uk

wiring diagram neutralizer click below pdf picture

Three Typical Methods Of Link-up - MCC Heating Services Ltd

Three Typical Methods of Link-up - MCC Heating Services Ltd www.gasandsolidfuel.co.uk

Dunsleyheat website. Dunsley baker neutralizer link-up system. Dunsley neutralizer layout 89a